编号NO:C3-0011
2019年 新能源 电池 电路培训 完整视频 (11.52G)
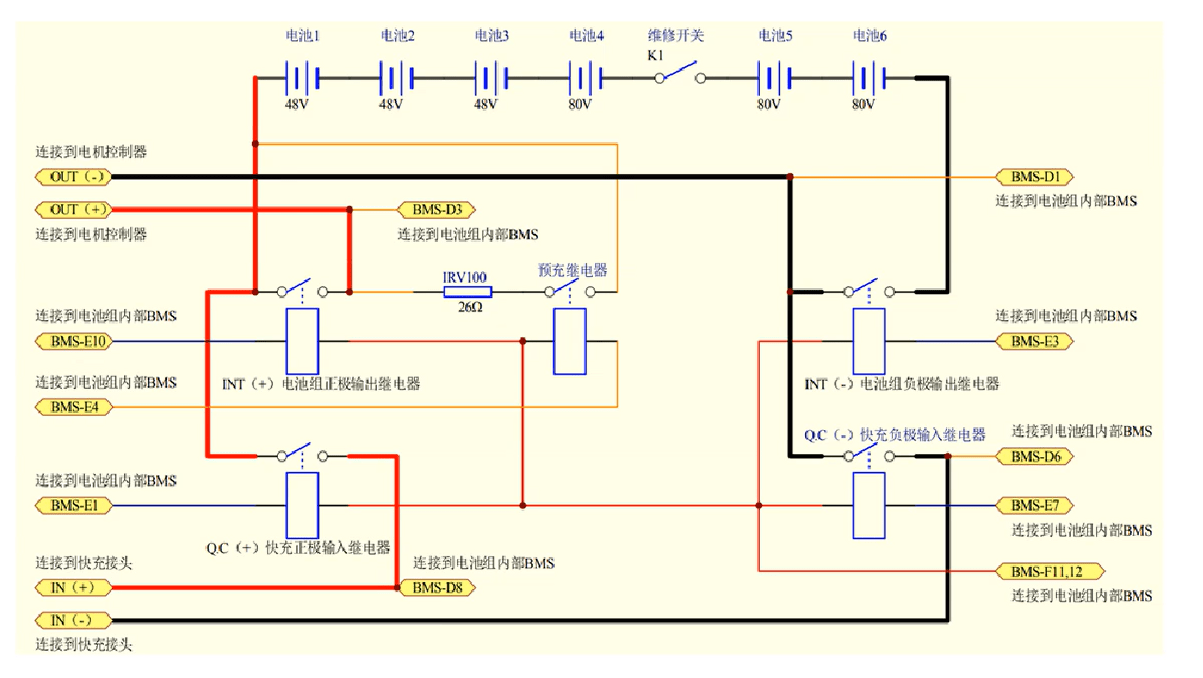
- 关 键 字 :电动汽车,电池内部电路,电池控制电路, 电机控制原理,互锁原理
- 本套资源:本站SVIP和VIP都能下载自学钻研, 资源种类繁多, 自行研究!更新不断, 勤则利, 荒则废!
- 本站资源:都来之不易,都在为您节省时间, 节约开支, 减轻生活工作压力!有条件请支持购买正版!
- 特别提醒:仅限本站会员, 专业技术无偿学习、更新、进步, 禁止外传, 禁止商用!否则永久黑名单!



资料详细目录:
| 名称 | 大小 |
| 【汽修工程师】001第一课电动汽车开课交流.mp4 | 691.9 MB |
| 【汽修工程师】002第二课安全用电常识.mp4 | 598.1 MB |
| 【汽修工程师】003第三课电动汽车结构原理.mp4 | 412.2 MB |
| 【汽修工程师】004第四课锂电池充放电原理.mp4 | 425.0 MB |
| 【汽修工程师】006第六课锂电池保护板工作原理.mp4 | 1.6 GB |
| 【汽修工程师】007.1第七课锂电池均衡电路A.mp4 | 57.9 MB |
| 【汽修工程师】007.2第七课锂电池均衡电路B.mp4 | 228.2 MB |
| 【汽修工程师】008第八课知豆电池组电路.mp4 | 363.3 MB |
| 【汽修工程师】009第九课电池组控制原理.mp4 | 398.6 MB |
| 【汽修工程师】010第十课充电接口原理.mp4 | 868.2 MB |
| 【汽修工程师】011第十一课高速电动车电池控制电路.mp4 | 276.4 MB |
| 【汽修工程师】012第十二课三相同步直流电机原理.mp4 | 325.6 MB |
| 【汽修工程师】013第十三课新能源电机驱动桥.mp4 | 912.6 MB |
| 【汽修工程师】014第十四课新能源三相电机位置传感器工作原理.mp4 | 696.0 MB |
| 【汽修工程师】015第十五课电机位置传感器工作原理.mp4 | 339.8 MB |
| 【汽修工程师】016第十六课高压互锁原理.mp4 | 1.0 GB |
| 【汽修工程师】017第十七课DCDC转换器原理.mp4 | 281.9 MB |
| 【汽修工程师】018第十八课开关电源工作原理.mp4 | 346.1 MB |
| 【汽修工程师】019第十九课高压分配盒控制电路.mp4 | 361.2 MB |
| 【汽修工程师】020第二十课电动汽车系统总结.mp4 | 317.6 MB |
| 【汽修工程师】021第二十一课VCU接线图.mp4 | 583.6 MB |
| 【汽修工程师】022第二十二课新能源技术总结.mp4 | 357.7 MB |
| 【汽修工程师】第五课锂电池内阻测试.mp4 | 283.5 MB |
| 0【汽修工程师】全站资源下载说明(密).pdf | 3.7 MB |
24 文件 - 11.524 GB
详细资料,本站会员请下载观看!
免费+学习,学好技术!
关注+收藏,更新不断!





谢谢